福州市工业和信息化局 福州市财政局关于
做好2023年市级支持光电产业发展
专项资金项目申报工作的通知
榕工信行规〔2023〕6号
各县(市)区工信局、财政局,高新区经发局、财政局:
根据市政府《关于支持光电产业发展措施的通知》(榕政办规〔2023〕6号)文件精神,现就做好2023年市级支持光电产业发展专项资金项目申报工作通知如下。
福州市工业和信息化局
福州市财政局
2023年5月11日
一、申报条件
1.申报主体具有独立法人资格,在信用系统中无不良记录;
2.申报主体财务管理制度健全,能按要求报送统计数据;
3.满足项目申报指南(详见附件1)规定的其他条件。
二、申报项目
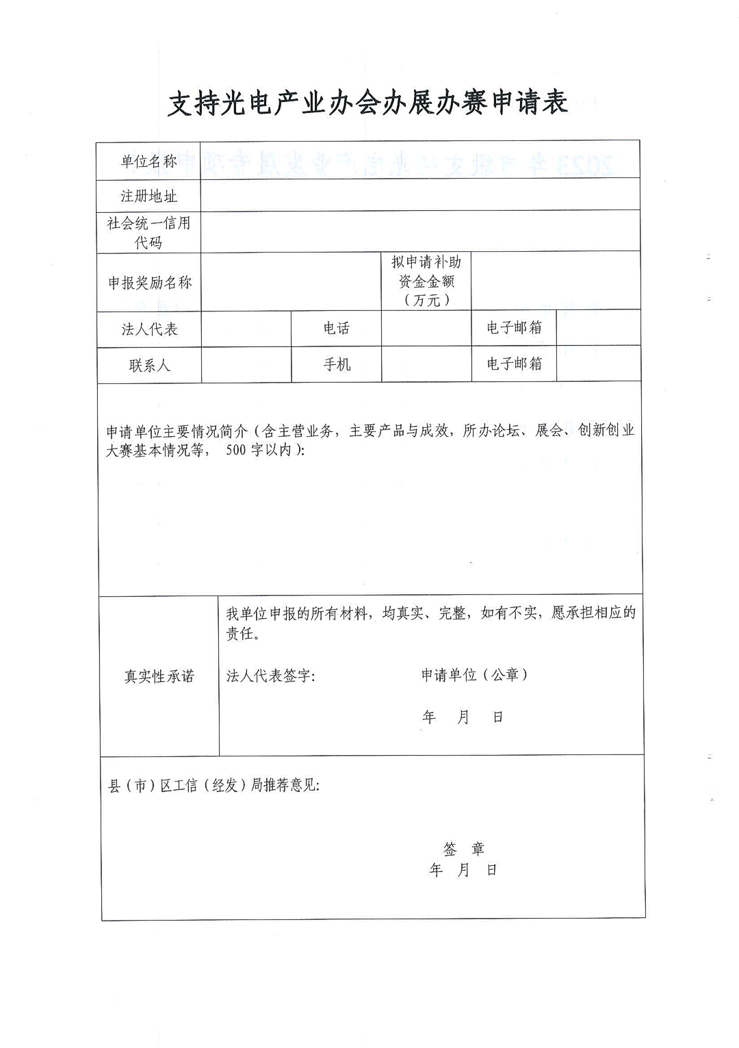
1.支持光电产业办会办展办赛
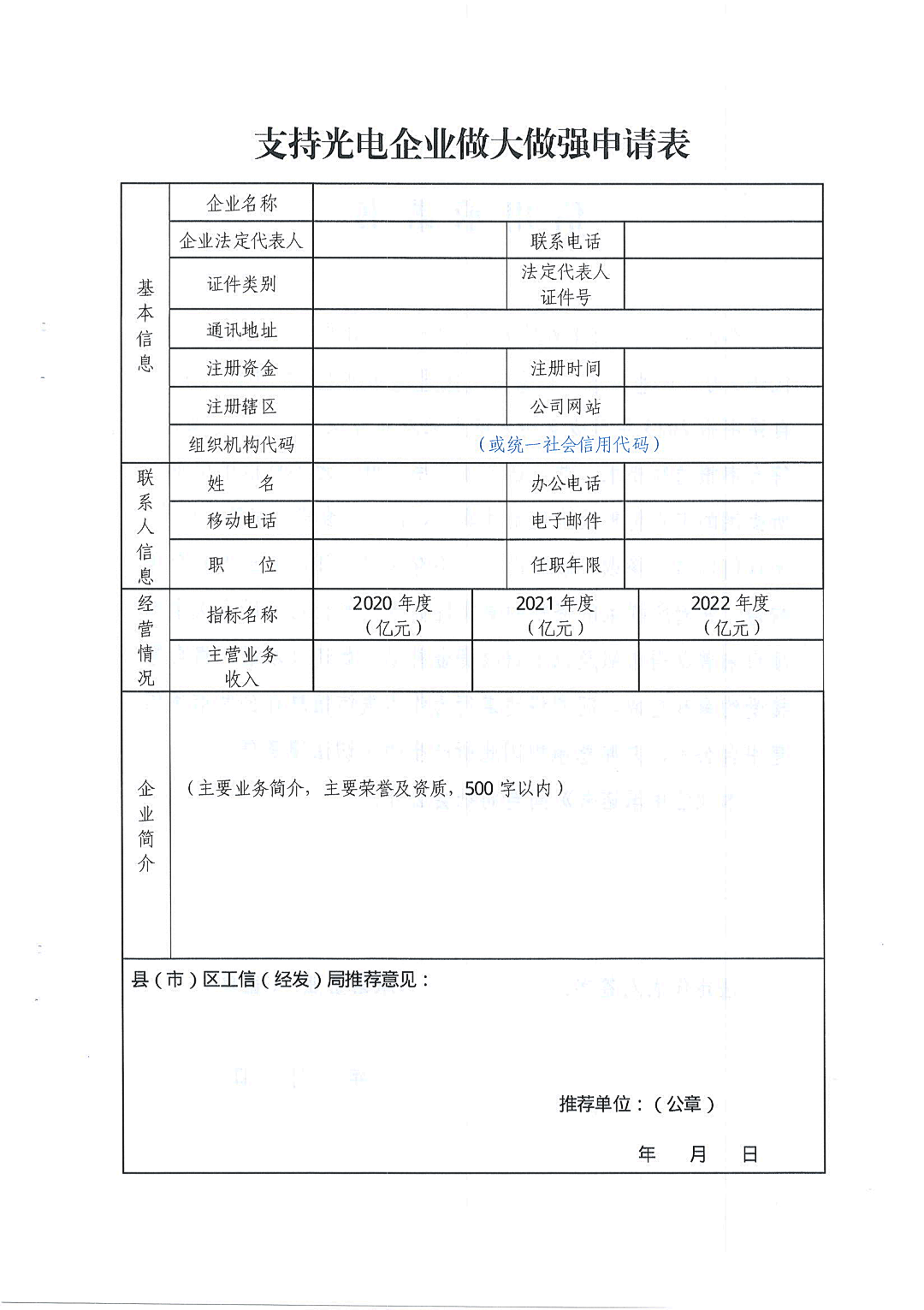
2.支持光电企业做大做强
三、申报基本材料
1.项目申报表;
2.申报单位营业执照、税务登记证(或“三证合一”营业执照)复印件以及所从事的主营业务资质证明材料复印件(已取得资质的需提供);
3.信用承诺书;
4.申报单位在“信用中国”网站的信用报告或第三方信用报告;
5.项目申报指南规定的其他材料(详见附件1)。
以上材料应加盖单位公章。
四、申报要求
1.申报单位根据文件要求如实组织项目材料,并按属地原则向福州市辖区内各县(市)区工信部门提交纸质申报材料,纸质材料需提供目录、标明页码、加彩色隔页、加盖骑缝章,按顺序装订(A4纸、胶装)成册,加盖单位公章,一式4份。胶装顺序为:封面、目录、项目申报表、公司营业执照复印件、税务登记证(或“三证合一”营业执照)复印件、信用承诺书、信用报告、相关附件材料。
2.申报单位的纸质材料经福州市各县(市)区工信部门审核合格后,通过省工信厅惠企政策项目管理系统(http://220.160.52.168/Hqxm/Default.aspx)按属地原则填报(不能直接报送福州市工信局,否则不予受理)。
3.申报单位应对申报材料的真实性、准确性、合法性、完整性、有效性负责。如发现弄虚作假或其他违反法律法规的行为,将予以通报,且三年内取消相关专项资金申报资格,并按相关法律法规的规定追究相应的责任。
4.同一申报单位的同一项目不得重复申报、多头申报,申报单位已获得市级及以上财政资金同类扶持的,不再享受本专项的扶持。
5.工信部门做好申报材料的真实性、合法性、有效性审核,财政部门配合做好程序的合规性和完整性审核。县(市)区工信(经发)局对申报单位提交的所有申报材料进行认真审核,对提供复印件的应核对原件并加盖核对章,于2023年6月17日前完成惠企系统县(市)区初审,联合财政部门正式行文和填写《申报项目汇总表》(附件3),将申报项目纸质版材料、联合行文的纸质文件上报市工信局,同时将电子版材料(项目申报表提供word版本, 其他辅证材料提供扫描版) 发送至电子邮箱。
五、其他事项
1.本通知所需申报表格请登陆福州市工业和信息化局网站(http://www.fuzhou.gov.cn/zgfzzt/sjxw/)通知公告栏目下载。惠企政策项目管理系统的操作手册在省工信厅惠企系统网站下载。
2.受理处室及联系人
福州市工业和信息化局电子信息处
地址:仓山区南江滨西大道东部办公区5座637室
联系电话:0591-83726169邮箱:fzdzxx@163.com
附件
1.项目申报指南
2.2023年市级支持光电产业发展专项申报书
3.申报项目汇总表
附件1
附件2
附件3



